Dimensions

* Download CAD file or product manual for larger image/text and more detail.

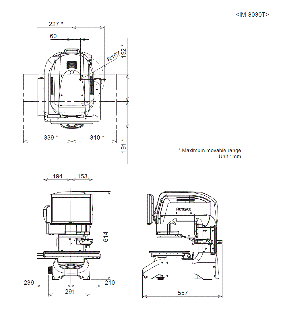
IM-8030T Dimension

IM-8030T Dimension