最小物质条件(LMC)
最小材料条件用于管理孔的大小和位置,以及材料的厚度。
例如,如果一个零件的孔有不精确的尺寸或位置下至少物质条件(孔有最大尺寸),零件强度不足,可能会断裂。最小的材料要求是有用的设计零件有如此严格的空间要求。
使用最小物质条件
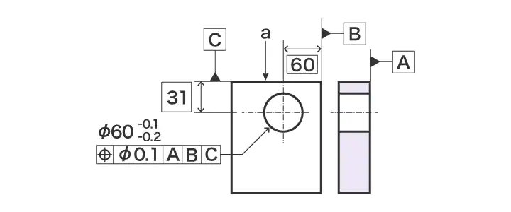
在设计厚度方面,最不理想的情况是当孔直径大(最小材料尺寸)和孔定位接近边缘。相反,当孔径较小时(最大实体条件),即使孔接近边缘时也能保持强度。
- 一个
- 这个洞的侧面离边缘太近了,以至于洞可能会破裂。
是什么?
要将最小物质条件应用到一个维度上,你可以这样写在尺寸公差后功能控制框架.在某些情况下,可以遵循一个基准符号。“L”代表“最小物质条件”(LMC)。这个符号表示对材料要求最低的应用。
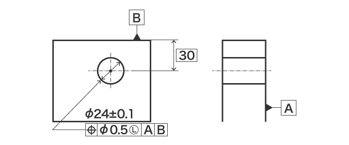
最低材料状况的样品指示
下面的图是一个例子,说明当使用最小厚度时,边缘和孔的材料条件最小真正的位置.
当适用于尺寸公差带,真实位置规格Φ0.5只适用于直径时。24孔是在它的最低物质条件Φ24.1。孔径越小,几何公差越大。

