最大材料状态(MMC)
在设计两个配合件时,采用了最大材料条件。
以设计成适合孔的轴为例,该规范确保轴实际上适合孔下最大物质状态(MMC),同时也防止过分严格的尺寸公差被应用,以避免情况下,轴不适合镗孔。
是什么?
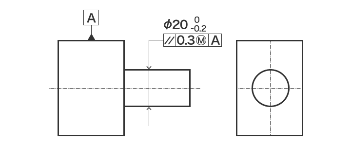
要将最大材料要求应用到一个尺寸上,您可以这样写在尺寸公差后功能控制框架.“M”表示“最大物质状态”(MMC)。此符号表示最大材料要求的应用。
处理尺寸公差
当使用最大材料条件时,总是遵循尺寸公差。但是,如果尺寸公差偏离最大实体尺寸时,可将差值加到一个几何公差上使一虚拟的大小.
最大实体条件
虚拟条件
- 一个
- 虚拟的大小
用动态公差图表示最大材料条件
动态公差图是一种直观表达尺寸公差和几何公差公差带变化的工具。通过在垂直轴上标记几何公差和尺寸公差在横轴上,可以同时显示尺寸公差和几何公差的变化。最大物质条件的应用也阐明了奖金宽容这发生在几何公差增加的时候。
- 一个
- 轴
- b
- 住房
- 一个
- 平直度
- b
- 轴尺寸公差
- c
- 孔尺寸公差

