测量位置度
在测量真正的位置,你是在检查目标相对于基准面(参考平面或直线)的位置的准确性。
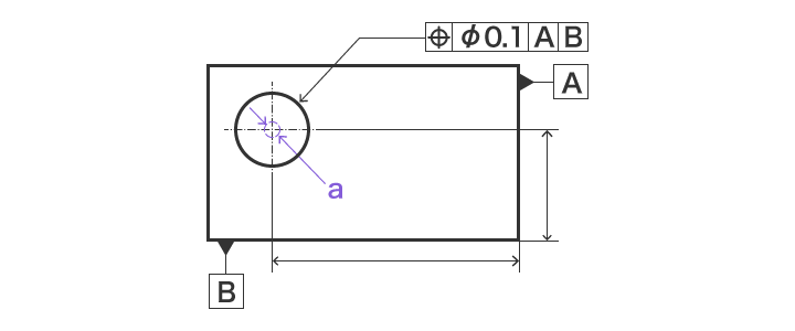
样品图纸
- 一个
- 0.1毫米直径以内。
使用计
通过/不通过判断使用测量规或检查规。
它的优点是,由于操作人员的技能水平,操作速度和检测质量不会发生变化,操作简单,支持自动化。
缺点
计量器需要为每个目标计量器准备,定制计量器的前期成本很高,这使得在原型设计阶段很难引入。
三坐标测量机的应用
- 一个
- X-Y平面,基准面A
- b
- Z-X平面,基准面B
- c
- Y-Z平面,基准面C
- d
- 目标
- e
- 平板
设置基准面,将触控笔放在目标上的测量点上。测量结果立即显示在屏幕上。
也可以测量笛卡尔坐标,一次测量可以输出复合真位置。
测量孔时,通过改变深度进行多次测量,输出圆柱度、垂直度、直线度的验证结果。
- 测量屏幕
-
- 一个
- 目标点(圆)
- b
- 真位置测量结果

