测量圆度
测量时圆满,您正在测量轴,钻孔或圆锥形圆锥的圆形横截面的圆度,以了解它的圆形是多么准确。
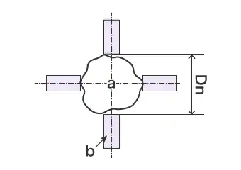
样品图纸
使用千分尺
- 一个
- 目标
- B.
- 千分尺测量端子
通过将其划分为四到八个部分,在外形上进行两点测量。圆度是通过将最大值和最小值之间的差除以2而获得的值。
测量所需的千分尺;您可以容易地进行测量,任何地方。
- 圆度=(dmax - dmin)/ 2
- DMAX:最大值
- DMIN:最小值
缺点
测量的准确性有限制,因为该值是两点测量的平均值。另外,由于将千分尺测量终端被放置在目标上的差异,可能发生错误。要分析所获得的数据,您还需要将其输入计算机。
使用坐标测量机(CMM)
- 一个
- 目标
- B.
- 表面板
将手写笔放在四个或更多点以进行圆度的点测量。
测量值是计算的最小二乘法,来自所有测量点的偏差的总和是最小的。
- 测量屏幕
-
- 一个
- 圆度测量结果

