测量直线度
测量时直线度,您正在检查目标是否准确。
此指示适用于直线而不是平面。因此,测量直线度可以识别长物体中的任何翘曲。
样品图纸
使用高度仪表
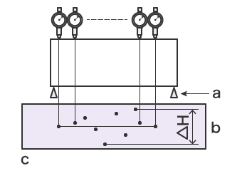
- 一个
- 微杰克
- B.
- △H=直线度
- C
- 高度(HN)图
保护目标,使高度均匀地匹配左右,使用小插孔,以防止目标倾斜。将目标或高度仪表直接移动以测量直线度。
最大值和最小值(△H)之间的差异是直线度。
缺点
通常,高度仪的精度低于坐标测量机。另外,测量值可以随着用于将测量部分放置在目标上的力,导致测量结果变得不稳定。
对于无法放置水平的目标,不能移动高度计,使测量变得困难。
使用坐标测量机(CMM)
- 一个
- 手写笔
- B.
- 目标
坐标测量机可以通过操作员测量直线度,简单地将触笔轻轻放在目标上。由于此功能,测量压力几乎没有错误,并且可以获得稳定的测量结果。
另外,触控笔可以从不同角度放置在目标上,这使得能够精确测量不能确保水平的目标,即不能使用高度计测量的目标。
- 测量屏幕
-
- 一个
- 直线测量结果

